elfatek
ELS-LC5T-08

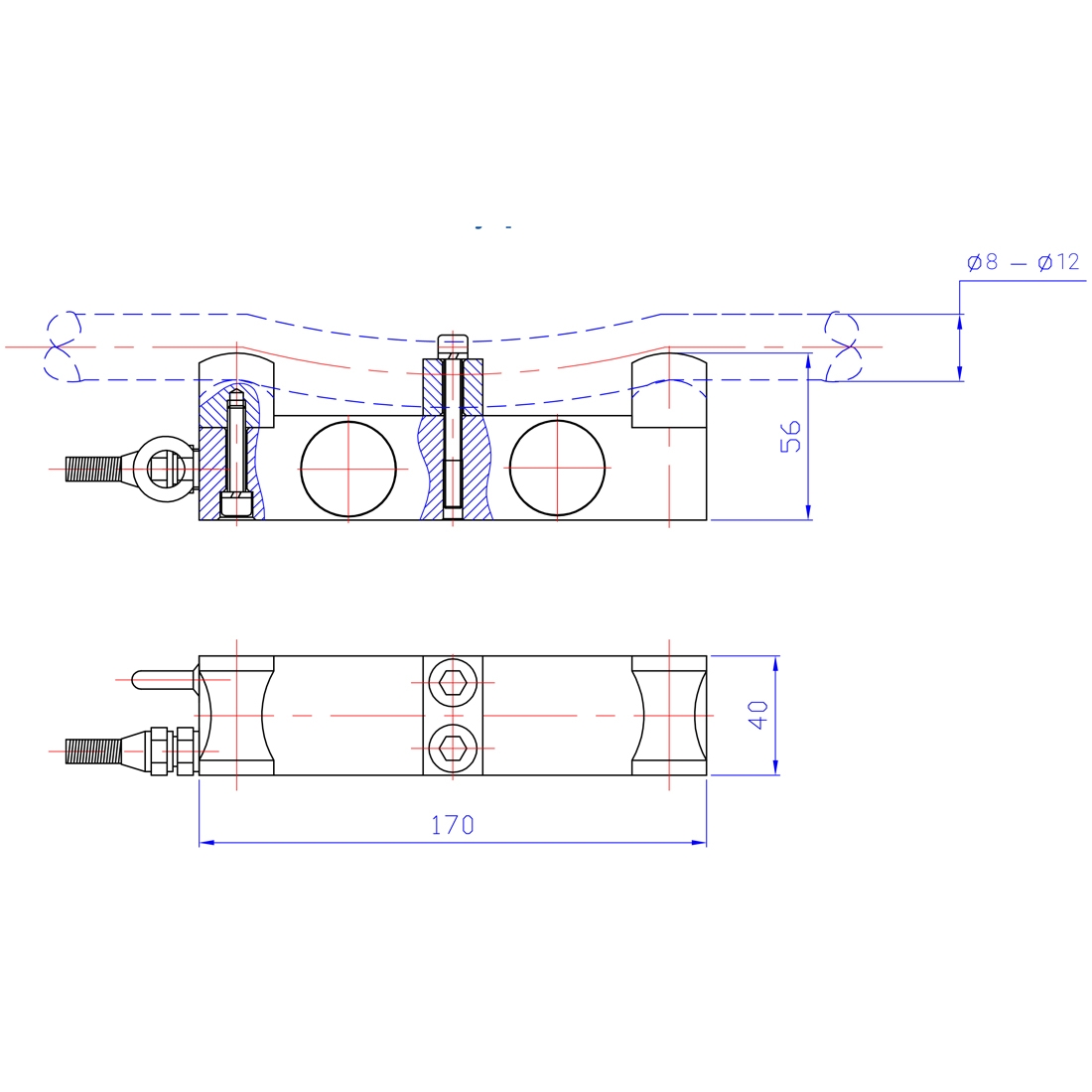
Cellule de charge à corde en acier de 5 tonnes (diamètre de corde de 8-12 mm)

Les cellules de charge du modèle ELS, fabriquées en acier allié spécial applicable à toutes les grues à câbles, sont utilisées dans les systèmes de protection contre les surcharges de grue. Elles empêchent votre grue de soulever des charges excessives, créant un environnement de travail sûr. 

Spécifications techniques

Code Couleur des Câbles

Couleur Définition
ROUGE + EXC
JAUNE - EXC
VERT + SIG
BLANC - SIG

Spécifications Techniques

Capacité de la Cellule de Charge 5 Tonnes
Modèle ELS-LC3T-08

Type de Corde

5 Tonnes (Diamètre de Corde Ø8 – Ø12)

Dimensions

Longueur Totale 170 mm
Hauteur 56 mm
Largeur du Corps 40 mm
Compatibilité du Diamètre de la Corde Ø8 – Ø12 mm

Schéma de Connexion de l'Interrupteur de Surcharge

La cellule de charge est montée sur la corde de la grue pour mesurer la force de traction dans la corde. Ainsi, le système envoie un signal d'avertissement à l'unité de commande de la grue en cas de situations de surcharge.

  • Câble de Connexion
  • Brides de Connexion
  • Cellule de Charge
  • Collier de Serrage de la Corde
  • Vis de Serrage de la Corde
  • Support de Guidage

Ce modèle est idéal pour la protection contre les surcharges dans les cordes de grue de petit diamètre en raison de sa taille compacte et de sa grande durabilité. Il est facile à installer et garantit une utilisation de longue durée conformément aux normes de protection IP.

Demander un devis

Autres produits

Elfatek Electronic, Crane Remote Control, Crane Control
Formulaire de panne **